

本題は、オームの法則によって解く問題です。
オームの法則 : 電圧V=電流I×抵抗R
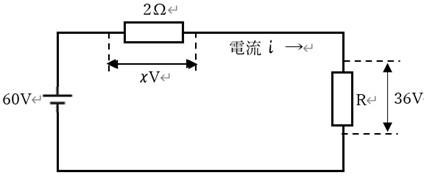
スイッチSが開いていると、次の回路になります。

2つの抵抗を直列につないでいるので、
回路の電流iと抵抗の積(×)がそれぞれの抵抗両端の電圧です。
ここでRの両端の電圧が36V、電池の電圧が60Vなので、
2Ωの抵抗の両端の電圧 x は 60V-36V=24V になります。
これから電流 i=24V÷2Ω から12Aとなり、
Rは36V÷12A で求められ、3Ωとなります。
スイッチSを入れると、Rの3Ωと6Ωの2つの抵抗が並列の接続になるので、
その合成抵抗は (3Ω×6Ω)÷(3Ω+6Ω) で求められ、2Ωになります。
結局、この回路は2Ωの抵抗2つの直列接続で、
それぞれの抵抗の両端の電圧は等しく30Vになります。
よって、正解は 二. 30です。
類 題
令和6年度下期学科試験 No.2

![]()
令和6年度上期学科試験 No.2

![]()
令和2年度筆記試験 No.2

![]()